Skip to content
Logo EPFL, École polytechnique fédérale de Lausanne
  • About
  • Education
  • Research
  • Innovation
  • Schools
  • Campus
Show / hide the search form
Hide the search form
  • EN
  • FR
  • DE
  • IT
  1. Research
    • About
    • Education
    • Research
    • Innovation
    • Schools
    • Campus
    • Laboratories list
  2. EPFL Research Facilities
    • Mission and Policy
    • Research Domains
    • EPFL Research Facilities
    • Faculty members
    • Solutions 4 Sustainability - S4S
    • Awards and Prizes
    • Funding Opportunities
    • Research Management Support
    • From Lab to Market
    • Research Ethics
    • Research with Animals
    • Open Science
  3. Technology Platform for Hydraulic Machines
    • Biological Electron Microscopy Facility
    • Bioengineering & Organoids Technology platform
    • Bioinformatics Competence Center
    • Biomolecular Screening Facility
    • Interdisciplinary Centre for Electron Microscopy
    • Center of MicroNanoTechnology
    • Center of PhenoGenomics
    • Flow Cytometry Core Facility
    • Gene Expression Core Facility
    • Bertarelli Foundation Gene Therapy Core Facility
    • Helium liquefaction and recovery system
    • MultiOmics Histology Core Facility
    • Proteomics Core Facility
    • Technology Platform for Hydraulic Machines
    • BioImaging and Optics Core Facility
    • Protein Production and Structure Core Facility
    • Scientific IT & Application Support SCITAS
    • Swiss CAT+
  4. Simsen
    • Research
    • Education and projects for students
    • Lab testing and consulting services
    • Publications
    • Bubbles
    • Simsen
    • Team
    • PTMH Contact
  5. Main Features
    • Main Features
    • Download and Quotation
    • Customers
    • Publications HDE
    • Publications EPFL
    • Wiki
    • Contacts
  6. Electrical Examples
    • Available units
    • Hydraulic Main Features
    • Electrical Examples
  • About
  • Education
  • Research
  • Innovation
  • Schools
  • Campus

In the same section

  • Available units
  • Hydraulic Main Features
  • Electrical Examples
    • SubSynchronous Resonance
    • Back to Back Startup
    • Short Circuit of a Large Power Plant
    • Transient Stability in a Large Power Network
    • HVDC network with SVC
    • 3-level Voltage Source Inverter (VSI)
    • Slip-Energy Recovery Drive VARSPEED
    • STATCOM (STATic COMpensator)
    • 3-level UPFC
    • Synchronous Motor Fed by a 12-pulse Cyclo-Converter

Electrical Examples

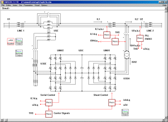
SubSynchronous Resonance
SubSynchronous Resonance Back to back start-up
Back to back start-up Short circuit of a large power plant
Short circuit of a large power plant Transient stability in a large power network
Transient stability in a large power network HVDC network with SVC
HVDC network with SVC 3-level Voltage Source Inverter (VSI)
3-level Voltage Source Inverter (VSI) Slip-energy recovery drive VARSPEED
Slip-energy recovery drive VARSPEED STATCOM (STATic COMpensator)
STATCOM (STATic COMpensator) 3-level UPFC
3-level UPFC Synchronous motor fed by a 12-pulse cyclo-converter
Synchronous motor fed by a 12-pulse cyclo-converter
  • Organization and identity
  • Associated Campuses
  • Data
  • Presidency
  • Vice Presidencies
  • Working at EPFL
  • Recruiting EPFL Talents
  • Equality, Diversity, Inclusion
  • Respect
  • Sustainability
  • News & Media
  • Philanthropy
  • EPFL Alumni
  • Admission
  • Academic Calendar
  • Preparatory Year (CMS)
  • Bachelor
  • Master
  • Doctorate
  • SHS Program
  • Continuing Education - Extension School
  • Study Management
  • International
  • Teaching
  • Educational Initiatives
  • Education & Science Outreach
  • Infrastructures Under Development
  • Engaging with Society
  • Mission and Policy
  • Research Domains
  • EPFL Research Facilities
  • Faculty Members
  • Solutions 4 Sustainability - S4S
  • Awards and Prizes
  • Funding Opportunities
  • Research Management Support
  • From Lab to Market
  • Research Ethics
  • Research with Animals
  • Open Science
  • Industry Collaboration
  • Innovation Initiatives
  • Startup Launchpad
  • Services & Resources
  • Library
  • Restaurants, Shops & Hotels
  • Security, Prevention & Health
  • Sports
  • Community & Support
  • Chaplaincy
  • Events
  • Arts & Culture
  • Associations
  • Visit EPFL
  • Mobility & Travel
  • School of Architecture, Civil & Environmental Engineering ENAC
  • School of Basic Sciences SB
  • School of Engineering STI
  • School of Computer & Communication Sciences IC
  • School of Life Sciences SV
  • College of Management of Technology CDM

Practical

Services & Resources Emergencies: +41 21 693 3000 Contact Map

Follow EPFL on social media

  • Follow us on Facebook
  • Follow us on Instagram
  • Follow us on LinkedIn
  • Follow us on Mastodon
  • Follow us on X
  • Follow us on Youtube
Accessibility Disclaimer Privacy policy

© 2025 EPFL, all rights reserved